Envíanos un correo electrónico

sdepochwater@hotmail.com

Productos
Medidor de agua de riego
  • Medidor de agua de riegoMedidor de agua de riego
  • Medidor de agua de riegoMedidor de agua de riego

Medidor de agua de riego

Uso: Instrumento de medición de flujo para medir el volumen total de agua que fluye a través de la tubería.

Condiciones suministradas:

▶ Tamaño: DN50 ~ DN600

▶Material: carcasa de hierro fundido

▶ Grado de temperatura: T30, T50, T90

▶Clase de presión:MAP16,MAP10

▶Pérdida de presión:△P63


Método de instalación:

1.Instalación horizontal.

2.Se requiere un filtro de agua adicional.

3.La entrada/salida de agua del medidor de agua necesita una sección de tubería recta U10/D5.


Características:

1. Resistencia a la transmisión pequeña, gran capacidad de flujo, antibloqueo y fuerte capacidad anticontaminación.

2.Rotor horizontal, accionamiento de acoplamiento magnético seco.

3.El contador adopta sellado al vacío, anticondensación y atomización, y puede mantener la lectura clara durante mucho tiempo.

4. Se adopta una estructura extraíble para una fácil instalación y mantenimiento.

5.El mecanismo de medición tiene una gran universalidad.

6. Según las necesidades de los clientes, se puede proporcionar transmisión remota y dispositivo de transmisión (transmisión de doble lengüeta/pasillo).


Parámetro técnico:

DN (mm) Fluir rango Grado de dosificación Máximo flujo Q4 Común flujo Q3 Flujo límite Q2 Mínimo flujo Q1 Mínimo lectura Máximo lectura
T3/T1 m3/hora
LXXG-50 2” R20 (R25) 25 31.25 5 1.25 0.002 999, 999
LXXG-65 2/2" 40 50 8 2 0.002 999, 999
LXXG-80 3” 63 78.75 12.6 3.15 0.002 999, 999
LXXG-100 4” 100 125 20 5 0.002 999, 999
LXXG-125 5” 160 200 32 8 0.002 999, 999
LXXG-150 6” 250 312.5 50 12.5 0.002 999, 999
LXXG-200 8” 400 500 80 20 0.002 999, 999
LXXG-250 10” 630 787.5 126 31.5 0.02 9, 999, 999

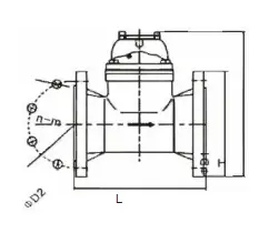
Dimensión total y peso:

Modelo DN Longitud Altura Brida de conexión
milímetros Brida exterior diámetro φD1 Número de pernos de conexión D2 Número de pernos de conexión
LXXG-50 2” 200 253 165 125 4*M16
LXXG-65 2V2" 200 268 185 145 4*M16
LXXG-80 3” 225 284 200 160 8*M16
LXXG-100 4” 250 295 220 180 8*M16
LXXG-125 5” 250 310 250 210 8*M16
LXXG-150 6” 300 339 285 240 8*M20
LXXG-200 8” 350 382 340 295 8*M20(1,0MPa) 12*M20(1,0MPa)
LXXG-250 10” 450 438 395 405
12*M20(1,0 MPa) 12*M24(1,0 MPa)

A. El error máximo permitido de un área baja (Q1≤Q

B.Cuando la temperatura del agua es≤30℃, el error máximo permitido en el área alta (Q2≤Q≤Q4) es ±2% Cuando la temperatura del agua es>30℃, el error máximo permitido en el área alta (Q2≤Q≤Q4)es ±3%






Etiquetas calientes: Medidor de agua de riego
Enviar Consulta
Datos de contacto
¿Listo para llevar su proyecto del sistema de agua al siguiente nivel? Envíe una consulta a Shandong Epoch Equipment Co., Ltd. y reciba una respuesta personalizada de nuestro equipo. Estamos aquí para ayudar con todas sus necesidades del sistema de agua. Permítanos ser su compañero de confianza.
X
Utilizamos cookies para ofrecerle una mejor experiencia de navegación, analizar el tráfico del sitio y personalizar el contenido. Al utilizar este sitio, acepta nuestro uso de cookies. política de privacidad
Rechazar Aceptar