Envíanos un correo electrónico

sdepochwater@hotmail.com

Noticias

La estructura y el principio de funcionamiento de la válvula de mariposa

2025-06-13 0 Déjame un mensaje

Rotación de 90 grados, dominio de control de flujo sin esfuerzo-Válvulas de mariposa: ¡Optimización de la eficiencia y el costo de las operaciones de tuberías de gran diámetro!

1.Enviega general:

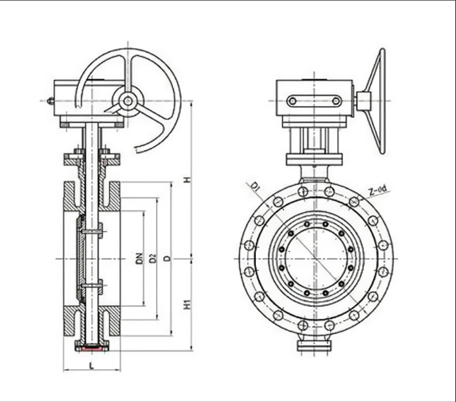
  Una válvula de mariposaes una válvula estructuralmente simple y de operación rápida utilizada principalmente para controlar el flujo de fluidos (como agua, gas o lloses) en las tuberías. Su función central es abrir, cerrar o regular el paso de flujo girando un disco (disco de mariposa) dentro de la tubería.

2. Componentes de Key - Cuerpo y disco de la válvula:

   El cuerpo principal de la válvula de mariposa es el cuerpo de la válvula, una carcasa cilíndrica corta conectada a la tubería en ambos extremos, formando el paso de fluido. Posicionado centralmente dentro del paso del cuerpo de la válvula es el componente central: el disco. Esta es una estructura en forma de disco cuyo diseño (concéntrico o excéntrico) y el material afectan significativamente el rendimiento de la válvula.

3. Componentes de Key - STEM y Actuación:

   Un tallo pasa a través del centro o un punto excéntrico del disco y se extiende fuera del cuerpo de la válvula. Este eje es responsable de transmitir la fuerza de rotación (torque) generada por el mecanismo de operación externo (como una palanca, volante o actuador automático) al disco, lo que impulsa su rotación.

4. Componentes de clave - Sellado (asiento y sellos):

   Para lograr el sellado cuando está cerrado, se instala un asiento anular en la pared interna del cuerpo de la válvula (o en el borde del disco en diseños de triple desplazamiento). Cuando el disco se cierra, su borde presiona firmemente contra este asiento. Los materiales del asiento pueden ser elastómeros (asiento suave, por ejemplo, caucho, PTFE, ofreciendo un buen sellado) o metal (asiento duro, resistente a alta temperatura y presión). Además, los sellos (como el embalaje o las juntas tóricas) se encuentran donde el tallo sale del cuerpo de la válvula, evitando la fuga de medios a lo largo del tallo.

5. Principio de trabajo - Proceso de apertura:

   Cuando se debe abrir la válvula, el mecanismo operativo (manual o automático) gira el vástago. El tallo hace que el disco gire alrededor de su eje, moviéndose de una posición perpendicular al eje de la tubería (90 grados, estado cerrado) hacia una posición paralela a él (0 grados). A medida que el disco gira, su obstrucción al fluido disminuye, el paso de flujo se abre gradualmente y el fluido fluye suavemente. El ángulo de rotación permite un control preciso del caudal.

6. Principio de trabajo - Proceso de cierre:

   Cuando la válvula debe cerrarse, el mecanismo de operación gira el tallo en la dirección opuesta. El disco comienza a girar desde su posición paralela a la tubería, bloqueando progresivamente la ruta de flujo. Al girar aproximadamente 90 grados para alcanzar la posición perpendicular, el borde del disco presiona firmemente contra el asiento. A través de esta compresión (dependiendo de la deformación elástica para asientos blandos, o contacto cónico cónico preciso para asientos duros), se forma un anillo de sellado completo entre el borde del disco y el asiento, bloqueando completamente el flujo de fluido.

7. Ventajas principales:

   Las principales ventajas de las válvulas de mariposa se encuentran en su estructura compacta, peso ligero y dimensiones cortas cara a cara (espacio de ahorro), operación simple y rápida (que generalmente requiere solo una rotación de 90 grados para abierta/cerrada), baja resistencia a los fluidos (especialmente cuando está completamente abierto), un torque de bajo funcionamiento y un costo significativo en ventajas en las tuberías de diámetros grandes.

8. Mayores de desventajas y consideraciones:

   Las desventajas de las válvulas de mariposa incluyen que su capacidad de presión de sellado típicamente es más baja que las válvulas de puerta o globo (especialmente los tipos de asiento suave), el disco siempre está presente en la ruta de flujo que causa cierta pérdida de presión, siendo menos adecuado para aplicaciones de estrangulamiento severas (que pueden causar vibración o erosión) y la sensibilidad de los materiales de los materiales blandos a temperaturas extremas.

9. Aplicaciones típicas:

   Aprovechando estas ventajas, las válvulas de mariposa se aplican ampliamente en escenarios de diámetro mediano a grande que exigen operación rápida, limitaciones de espacio o sensibilidad a los costos. Las aplicaciones comunes incluyen: sistemas de suministro de agua y drenaje (agua potable, aguas residuales), sistemas de HVAC (calefacción, ventilación y aire acondicionado), sistemas de protección contra incendios, agua de enfriamiento en la industria de energía, la industria petroquímica (para medios de baja presión, temperatura ambiente), alimentos y industrias farmacéuticas (válvulas de grado sanitario) y manejo de conciliación.

   Shandong Epoch Equipment Co., Ltd. es un fabricante profesional a gran escala en la provincia de China de Shandong, se adhiere a la orientación de la ciencia y la tecnología, la protección del medio ambiente, la calidad y la eficiencia. En la actualidad, se ha convertido en una empresa transregional y multi-industrial que integra industrias tan amplias como diseño, desarrollo, producción y exportación. Visite nuestro sitio web enhttps://www.epochpipeline.com/Para obtener más información sobre nuestros productos. Para consultas, puede comunicarse con nosotros en sdepochwater@hotmail.com.

Noticias relacionadas
Déjame un mensaje
X
Utilizamos cookies para ofrecerle una mejor experiencia de navegación, analizar el tráfico del sitio y personalizar el contenido. Al utilizar este sitio, acepta nuestro uso de cookies. política de privacidad
Rechazar Aceptar